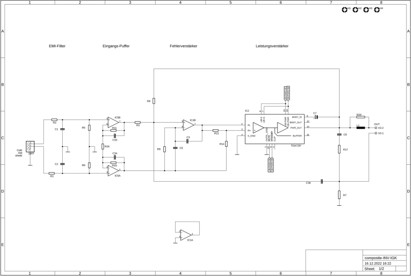
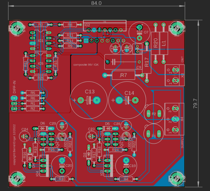
erstser Prototyp

Um das simulierte in der Praxis nachzuprüfen braucht es einen Prototypen - hier ist er. Er funktioniert weitestgehend wie erwartet, lediglich die Klirrwerte erscheinen noch geringfügig  zu hoch. Jetzt gilt es herauszufinden ob das Layout der Platine unvorteilhaft ist oder ob die Gegenkopplung der Eingangsstufe lediglich zu niederohmig ausgeführt wurde....

Erstelle deine eigene Website mit Webador