Kontakt zur Außenwelt - die Last

Die typische Last für einen Audio-Verstärker ist der Lautsprecher. Da dieser, bedingt durch seine Konstruktion, in der Regel eine komplexe Last darstellt ist am Verstärkerausgang eine Beschaltung zu verwenden die sicherstellt, dass der Verstärker stabil arbeitet.

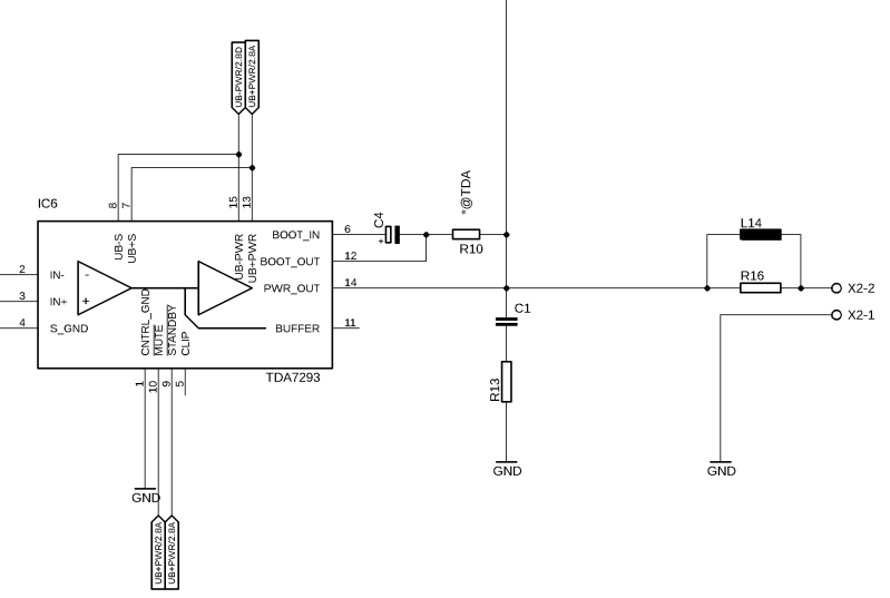
Die Kombination aus R13 und C1, häufig Boucherot- oder Zobel-Netzwerk genannt, stellt dabei für den Verstärker bei hohen Frequenzen eine definierte Last dar. Im gleichen Maße trennt die Kombination aus L14 und R16, bisweilen auch Thiele-Netzwerk genannt, die Last vom Verstärker. Dies geschieht deutlich oberhalb des hörbaren Frequenzbereichs. 

 

Im Schaltbild auch zu sehen sind Besonderheiten der gewählten Verstärkerfamilie:

BOOT IN, das ist ein Eingang der es dem Verstärker bei empfohlener Beschaltung ermöglicht weiter in die positive Richtung auszusteuern als dies ohne diese Beschaltung möglich wäre. Die Beschaltung unterscheidet sich geringfügig zwischen den 3 Typen TDA7294, TDA7295, TDA7296 und dem im Schaltbild dargestellten TDA7293. Bei den Typen TDA7294, TDA7295 und TDA7296 muss der sogenannte Boot-Strap-Kondensator (C4) am Leistungsausgang angeschlossen werden. Deshalb ist in meiner Schaltung der Widerstand R10 vorhanden, damit auch diese Typen verwendet werden können. R10 ist deshalb auch nur bei den Typen TDA7294, TDA7295 und TDA7296 zu bestücken.

BOOT OUT, das ist beim TDA7293 vorhandener zusätzlicher Ausgang der nur dazu dient den Boot-Strap-Kondensator zu versorgen. Bedingt durch die Wahl der gezeigten Beschaltung darf R10 bei Verwendung des TDA7293 keinesfalls bestückt werden.

Der Boot-Strap-Kondensator kann entfallen wenn für UB+S eine ungefähr 10V höhere Spannung als für UB+PWR gewählt wird.

Getrennte Spannungversorgungsanschlüsse für den Leistungs- und den Eingangsteil des Leistungs-OPs.

MUTE, dieser Eingang ist vorgesehen um den Verstärker stumm zu schalten. Wenn aktiviert wird IN+ intern getrennt und der +Eingang des Eingangs-OPs mit S_GND verbunden. Somit könnte S_GND auch als zweiter Eingang benutzt werden. Aber das ist eine eher theoretische Option, denn praktische Tests zeigten bei dieser Verwendung eine deutlich reduzierte Signalqualität.

Nur beim TDA7293 vorhanden ist der Anschluss CLIP, der IC-intern nach Masse geschaltet wird wenn der Verstärker übersteuert.

Auch nur beim TDA7293 vorhanden ist der Anschluss BUFFER - hier können mehrere TDA7293 Leistungsteile miteinander verbunden werden - so der offizielle Verwendungszweck. Nachdem ich im Internet einige Verstärker mit dieser Parallelschaltung gefunden und mir deren Messwerte angesehen habe bleibt diese Anwendung für mich fragwürdig. Dieser Anschluss lässt aber auch weitere Kompensationsmaßnahen zu oder lädt dazu ein lediglich den Leistungsteil des TDA7293 zu verwenden...Ideen für ein neues Projekt.

Erstelle deine eigene Website mit Webador