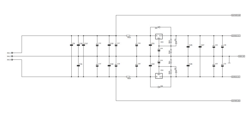
die gesamte Schaltung

Die Verstärkerschaltung mit Universal-Eingang für single-ended-Signale (Cinch) oder differentielle/symmetrische Signale (XLR). ( Kontakt zur Außenwelt - Frontend )
Der composite Amp setzt sich zusammen aus Error Amp ( Fehlerverstärker als Integrator ) und Power Stage (TDA7294 mit Vertärkungsfaktor 2 )

Erstelle deine eigene Website mit Webador