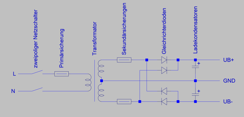
Transformator und Gleichrichter
Wie im Schaltbild zu erkennen arbeitet der Verstärker mit dualer Betriebsspannung. Wie diese mit Hilfe eines Transformators und einer Gleichrichterbrücke erzeugt wird zeigt diese Prinzipschaltung:

Auf der Primärseite des Transformators wird mit Netzspannung gearbeitet. Wer sich hier herantraut sollte genau wissen und sich sicher sein in dem was er tut. Bei auch nur der kleinsten Unsicherheit unbedingt die Hilfe von einem Fachmann einholen. NETZSPANNUNG IST LEBENSGEFÄHRLICH!
Wird für den Netzschalter eine Version mit Kontrollleuchte gewählt hat man auch schon einen optischen Indikator ob das Gerät eingeschaltet ist. Die Dimensionierung der Bauteile richtet sich danach wie viele Module damit versorgt werden. Sie ist in jedem Fall so zu wählen, dass die Sicherungen im Fehlerfall sicher auslösen. Wird mehr als ein Modul versorgt ist es ratsam in die Leitungen UB+ und UB- jedem Modul noch weitere eigene Sicherungen zu spendieren.
Erstelle deine eigene Website mit Webador